PFA焊接转扩口直通适配器,通过热熔对接,接头与管子的端面直接对焊连接,实现完全密封,无需加固和担心漏液问题,非常适用于半导体制造流程中无泄漏、超洁净、高空间利用的高标准。
特点:
1.焊接的一体性,保证了高耐热性,不会因热循环而发生连接处松弛、泄漏。
2.接头重量更轻、外形更紧凑,可以大幅缩小配管空间。
3.焊接部位连接更平滑,减少卫生死角
温度范围:-60℃~200℃

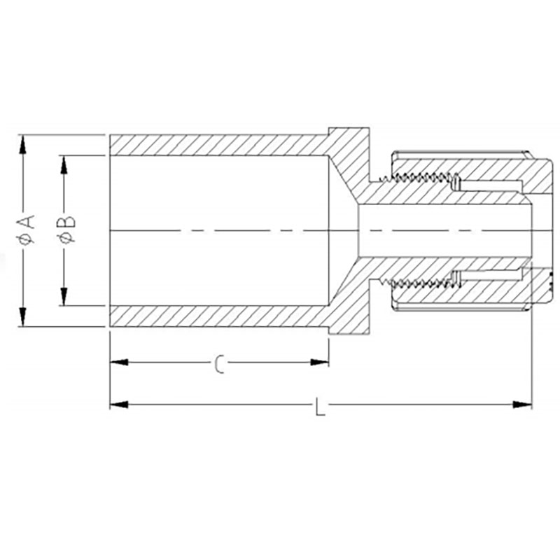
| 编码 | 口径 | A | B | C | L |
| (inch) | (mm) | (mm) | (mm) | (mm) | |
| WFA20A045 | OD20*1/4" | 21.3 | 15.4 | 38.1 | 82.0 |
| WFA20A065 | OD20*3/8" | 21.3 | 15.4 | 38.1 | 85.0 |
| WFA20A085 | OD20*1/2" | 21.3 | 15.4 | 38.1 | 86.0 |
| WFA25A085 | OD25*1/2" | 26.7 | 20.6 | 38.1 | 86.0 |
| WFA25A125 | OD25*3/4" | 26.7 | 20.6 | 38.1 | 88.0 |
| WFA32A085 | OD32*1/2" | 33.4 | 26.3 | 38.1 | 86.0 |
| WFA32A125 | OD32*3/4" | 33.4 | 26.3 | 38.1 | 88.0 |
| WFA32A165 | OD32*1" | 33.4 | 26.3 | 38.1 | 95.0 |
我们24小时内会与您联系
Copyright ©上海存简流体技术有限公司 All Rights Reserved


021-57712303 
