I-LINE接头
I-LINE系列接头,是一种卡箍式卫生级高压快装接头。区别于 Tri-Clamp, 它以公母头的I 型凹槽互配,把密封件牢牢锁定在密封位置,从而实现耐高压、高温、振动以及真空等更加恶劣的工况;同时其无卫生死角的结构设计,能满足卫生级的要求,卡箍式连接可以快装快拆、易清洁。
食品饮料、制药、精细化工等各行业凡是压力高、震动大、需洁净、经常拆洗的管道应用领域,I-LINE都是很好的选择。
经典的应用场景:
泵出口 / 过滤器进出口
发酵罐、配液罐、暂存罐
换热器、膜分离设备
软管与硬管过渡
经常拆卸的清洗管路
高压、高温、高振动设备口
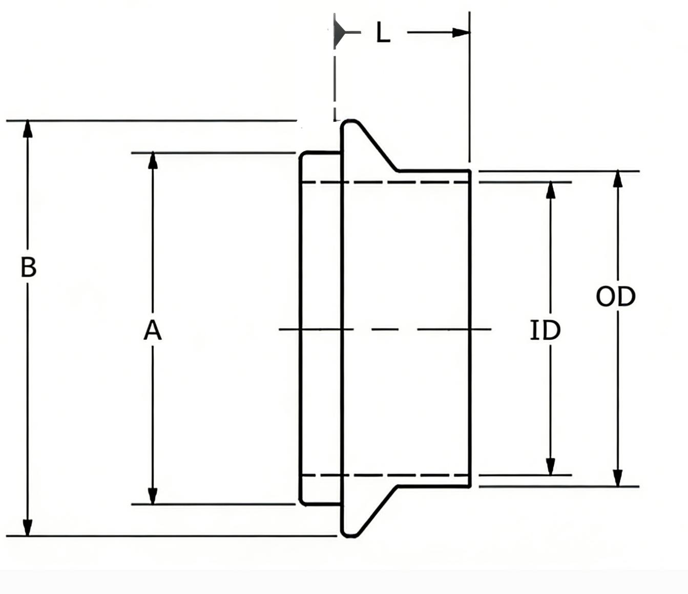
14WI
I-LINE 焊接公头 Male I-Line Weld Ferrule

PS:L长度可以根据要求定制
尺寸Inch
焊接端内径ID(mm)
焊接端外径OD(mm)
公头外径A(mm)
卡盘外径B(mm)
长度L(mm)short/long
1"
22.1
25.65
31.51
50.74
15.2/39.7
1.5"
34.8
38.35
44.21
50.74
18.9/46.8
2"
47.5
51.05
56.91
67.12
19.8/52.4
2.5"
60.2
63.75
69.61
84.06
21.6/55.6
3"
72.9
76.45
83.83
98.36
23/60.3
4"
97.38
101.85
109.16
123.76
26.2/68.3
6"
146.86
152.65
173.49
190.44
23.9/68.3
8"
197.66
203.45
224.29
241.05
23.9/-
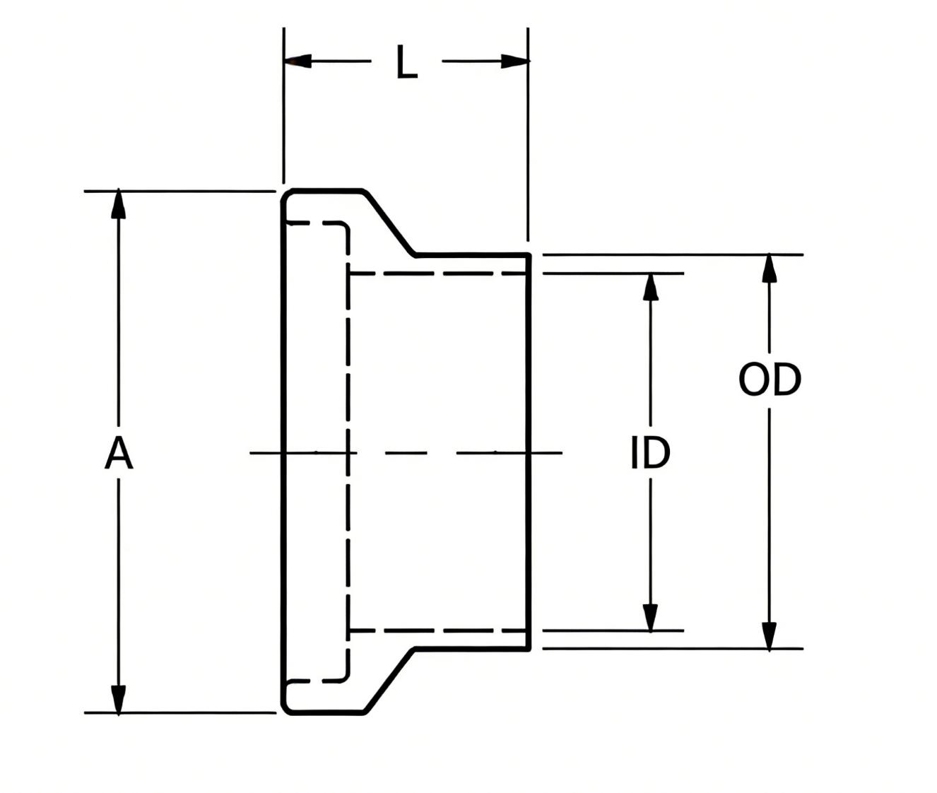
15WI
I-LINE 焊接母头 Female I-Line Weld Ferrule

PS:L长度可以根据要求定制
尺寸Inch
焊接端内径ID(mm)
焊接端外径OD(mm)
卡盘外径A(mm)
长度L(mm)short/long
1"
22.1
25.65
50.74
20.0/44.4
1.5"
34.8
38.35
50.74
24.1/51.6
2"
47.5
51.05
67.12
26.3/58.7
2.5"
60.2
63.75
84.06
29.5/63.5
3"
72.9
76.45
98.36
31.1/68.3
4"
97.38
101.85
123.76
34.2/76.2
6"
146.86
152.65
190.44
28.7/76.2
8"
197.66
203.45
241.05
28.7/-
我们24小时内会与您联系