DIN 11864 无菌接头
DIN 11864系列无菌接头是制药、生物、食品行业卫生级连接的 “天花板”,专为CIP/SIP、零死角、无菌、高纯度工艺设计。
典型应用场景:
制药:注射用水(WFI)、纯蒸汽、API 合成、无菌灌装
生物科技:细胞培养、发酵、层析、缓冲液系统
食品 / 饮料:高卫生要求的乳品、果汁、啤酒、无菌包装
精细化工:高纯度试剂、化妆品原料、电子级化学
系列分类:
DIN 11864-1 :由壬式接头
DIN 11864-2 :法兰式接头
DIN 11864-3 :卡箍式接头
根据焊接端口径的不同需求,可分别对应DIN11866 A系列(DIN)、B系列(ISO)、C系列(ASME BPE)

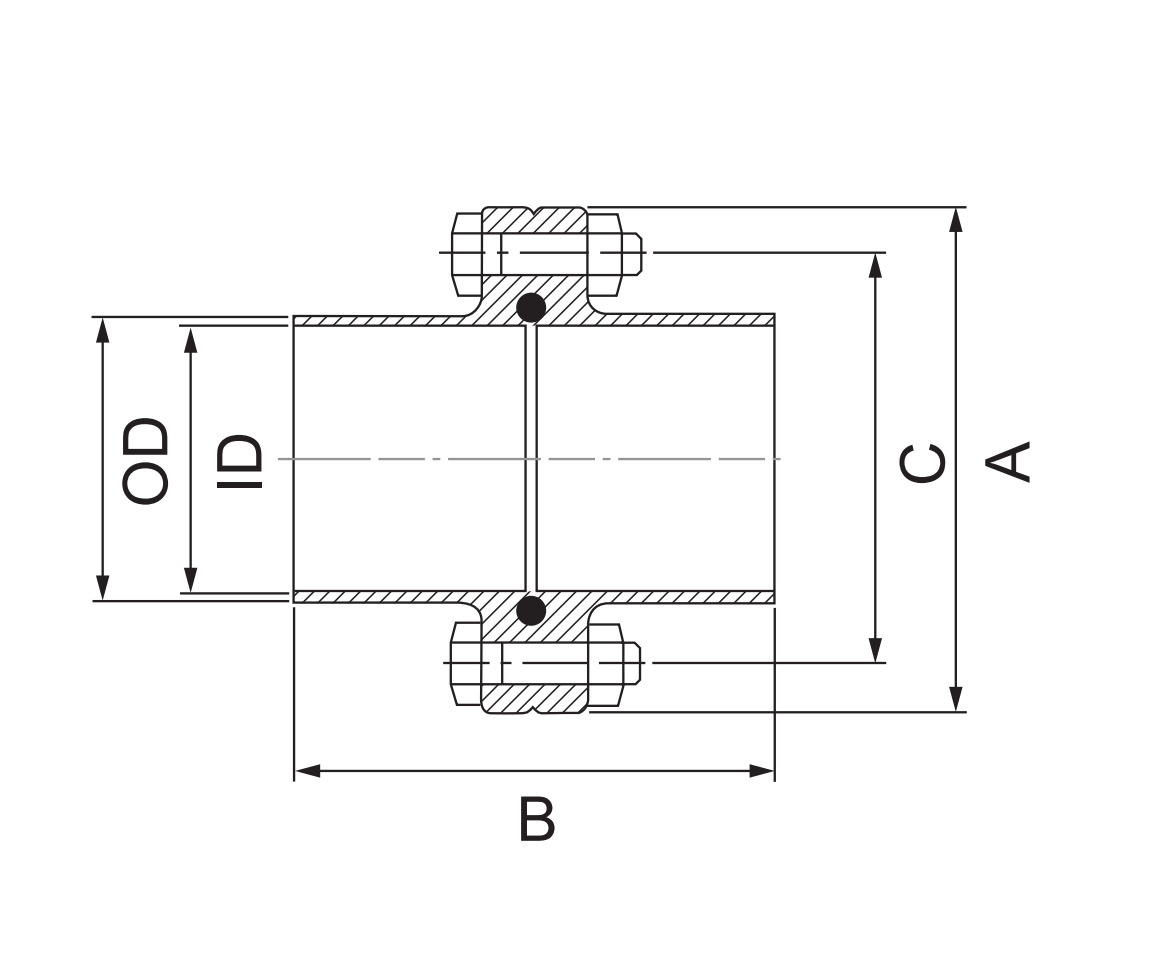
DIN 11864-1 :由壬式接头
整体尺寸:焊接端对应DIN 11866-A系列(DIN)

尺寸DN
焊接端内径ID(mm)
焊接端外径OD(mm)
螺母外径A(mm)
螺纹C(mm)
长度B(mm)
DN10
10
13
38
Rd 28 x 1/8"
76
DN15
16
19
44
Rd 34 x 1/8"
76
DN20
20
23
54
Rd 44 x 1/6"
76
DN25
26
29
63
Rd 52 x 1/6"
77
DN32
32
35
70
Rd 58 x 1/6"
88
DN40
38
41
78
Rd 65 x 1/6"
88
DN50
50
53
92
Rd 78 x 1/6"
89
DN65
66
70
112
Rd 95 x 1/6"
113
DN80
81
85
127
Rd 110 x 1/4"
117
DN100
100
104
148
Rd 130 x 1/4"
120

DIN 11864-2 :法兰式接头
整体尺寸:焊接端对应DIN 11866-A系列(DIN)
尺寸DN
焊接端内径ID(mm)
焊接端外径OD(mm)
法兰外径A(mm)
法兰中心距C(mm)
长度B(mm)
法兰孔数/螺栓(mm)
DN10
10
13
54
37
80
4/M8 x 30
DN15
16
19
59
42
80
4/M8 x 30
DN20
20
23
64
47
80
4/M8 x 30
DN25
26
29
70
53
80
4/M8 x 30
DN32
32
35
76
59
90
4/M8 x 30
DN40
38
41
82
65
90
4/M8 x 30
DN50
50
53
94
77
90
4/M8 x 30
DN65
66
70
113
95
108
8/M8 x 30
DN80
81
85
133
112
116
8/M10 x 35
DN100
100
104
159
137
116
8/M10 x 40
DN125
125
129
183
161
120
8/M10 x 40
DN150
150
154
213
188
120
8/M12 x 50

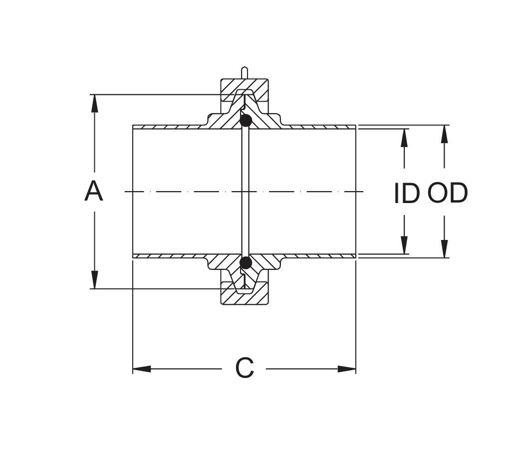
DIN 11864-3 :卡箍式接头
整体尺寸:焊接端对应DIN 11866-A系列(DIN)
尺寸DN
焊接端内径ID(mm)
焊接端外径OD(mm)
卡盘外径A(mm)
长度C(mm)
DN10
10
13
34
76
DN15
16
19
34
76
DN20
20
23
50.5
76
DN25
26
29
50.5
77
DN32
32
35
50.5
88
DN40
38
41
64
88
DN50
50
53
77.5
89
DN65
66
70
91
113
DN80
81
85
106
117
DN100
100
104
130
120
我们24小时内会与您联系